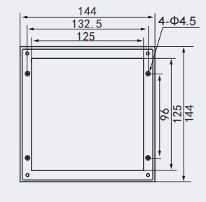
BW508 BBNWAS Bridge Navigational Watch Alarm System:
China BW508 BBNWAS Bridge Navigational Watch Alarm System:
BW508 BBNWAS Bridge Navigational Watch Alarm System

Display: 2×16B LCD
Power Supply: DC24VIAC100~240V
Timings Accuracy: Less Than 5 % or 5s
Volume Level: 1st Stage Alarm:75~85db/1m
2nd Stage Alarm:75~120db/1m
Data Input: Switch Value
Data Output: NMEAO183(ALR)/ Switch Value
Humidity: 10%~90% Relative
Operating Temperature: Display:-15~+55°C
Protection: MAIN:IP20
CONN:IP00
RA1:IP65
RA2/RA3/R:IP20





