CWZ-101 Stern Shaft Speed Direction Measuring System
CWZ-101 Stern Shaft Speed Direction Measuring System Introduction

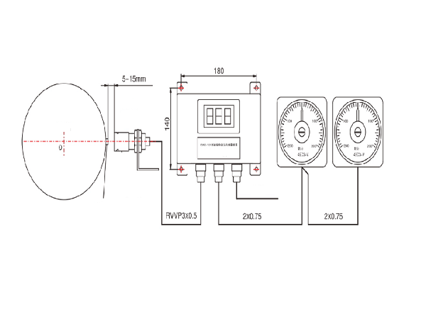
CWZ-101 stern shaft speed direction measuring system is used for ship stern shaft (center shaft) speed and direction measuring, can indicate multichannel. This device adopts microcomputer control, powerful detection and reliable. With double-color nixie tube display screen, accurate, visual and stable reading. Green color means forward, and red color means backward, the orange color means stop.
This device adopts non-contact magnetic induction, high sensitivity, large induction distance, small magnetic steel for speed measuring, and more convenient than gear speed measuring system, and easy to install, it can connect with 2~10 double-direction pointer tachometers. Match with 45C3-V, ZZ3-4, F96-DC, ZZ3-1 and other tachometers, and the VDR signal is available.
CWZ-101 Main Technical Parameter
Power supply: DC 24V ± 20% (or AC 220V)
Measuring range: 0 ± 600 r/min (0 ± 200, 0 ± 250, 0 ± 300, 0 ± 400, 0 ± 500 r/min optional)
Output voltage: 0 ± 10V
Operation environment: Environment temperature -20~+60℃,relative temperature ≤98%